Классификация контакторов
Определение. Контакторы — это аппараты дистанционного действия, предназначенные для частых включений и отключений силовых электрических цепей при нормальных режимах работы.
Электромагнитный контактор представляет собой электрический аппарат, предназначенный для коммутации силовых электрических цепей. Замыкание или размыкание контактов контактора осуществляется чаще всего с помощью электромагнитного привода.
Общепромышленные контакторы классифицируются по:
- роду тока главной цепи и цепи управления (включающей катушки) — постоянного, переменного, постоянного и переменного тока;
- числу главных полюсов — от 1 до 5;
- номинальному току главной цепи — от 1,5 до 4800 А;
- номинальному напряжению главной цепи: от 27 до 2000 В постоянного тока; от 110 до 1600 В переменного тока частотой 50, 60, 500, 1000, 2400, 8000, 10 000 Гц;
- номинальному напряжению включающей катушки: от 12 до 440 В постоянного тока, от 12 до 660 В переменного тока частотой 50 Гц, от 24 до 660 В переменного тока частотой 60 Гц;
- наличию вспомогательных контактов — с контактами, без контактов.
Примечание. Контакторы также различаются по роду присоединения проводников главной цепи и цепи управления, способу монтажа, виду присоединения внешних проводников и т. п.
Нормальная работа контакторов допускается:
- при напряжении на зажимах главной цепи до 1,1 и цепи управления от 0,85 до 1,1 номинального напряжения соответствующих цепей;
- при снижении напряжения переменного тока до 0,7 от номинального включающая катушка должна удерживать якорь электромагнита контактора в полностью притянутом положении и при снятии напряжения не удерживать его.
Выбор контакторов
- назначению и области применения;
- категории применения;
- величине механической и коммутационной износостойкости;
- числу и исполнению главных и вспомогательных контактов;
- роду тока и величинам номинального напряжения и тока главной цепи;
- номинальному напряжению и потребляемой мощности включающих катушек;
- режиму работы;
- климатическому исполнению и категории размещения.
Параметры контактора
Важными параметрами контактора являются номинальные рабочие ток и напряжения.
Номинальный ток контактора — это ток, который определяется условиями нагрева главной цепи. Контактор способен выдержать этот ток при замкнутых главных контактах в течение 8 ч, а превышение температуры различных его частей не должно быть больше допустимой величины. При повторно-кратковременном режиме работы аппарата часто пользуются понятием допустимого эквивалентного тока длительного режима.
Напряжение главной цепи контактора — наибольшее номинальное напряжение, для работы при котором предназначен контактор. Если номинальные ток и напряжения контактора определяют для него максимально-допустимые условия применения в длительном режиме работы, то номинальные рабочий ток и рабочее напряжение определяются условиями эксплуатации.
Устройство контакторов
Контактор (рис. состоит из: главных контактов, дугогасительной и электромагнитной систем, вспомогательных контактов.
Главные контакты осуществляют замыкание и размыкание силовой цепи. Они должны быть рассчитаны на длительное проведение номинального тока и на большое число включений и отключений при высокой их частоте. Главные контакты могут выполняться рычажного и мостикового типа. Рычажные контакты предполагают поворотную подвижную систему, мостиковые — прямоходовую.

Рис. 9 Устройство однополюсного электромагнитного контактора
Дугогасительные камеры контакторов постоянного тока построены на принципе гашения электрической дуги поперечным магнитным полем в камерах с продольными щелями.
Магнитное поле в подавляюще большинстве конструкций возбуждается последовательно включенной с контактами дугогасительной катушкой.
Дугогасительная система обеспечивает гашение электрической дуги, которая возникает при размыкании главных контактов. Способы гашения дуги и конструкции дугогасительных систем определяются родом тока главной цепи и режимом работы контактора.
Электромагнитная система контактора обеспечивает дистанционное управление контактором, т. е. включение и отключение. Конструкция системы определяется родом тока и цепи управления контактора и его кинематической схемой. Электромагнитная система состоит из сердечника, якоря, катушки и крепежных деталей.
Электромагнитная система контактора может рассчитываться на включение якоря и удержание его в замкнутом положении или только на включение якоря. Удержание его в замкнутом положении в этом случае осуществляется защелкой.
Отключение контактора происходит после обесточивания катушки под действием отключающей пружины или собственного веса подвижной системы, но чаще пружины.
Вспомогательные контакты. Производят переключения в цепях управления контактора, а также в цепях блокировки и сигнализации. Они рассчитаны на длительное проведение тока не более 20 А, и отключение тока не более 5 А. Контакты выполняются как замыкающие, так и размыкающие, в подавляющем большинстве случаев мостикового типа.
Контакторы постоянного тока
Контакторы постоянного тока предназначены для коммутации цепей постоянного тока и, как правило, приводятся в действие электромагнитом постоянного тока. Контакторы переменного тока предназначены для коммутации цепей переменного тока. Электромагниты этих цепей могут быть как переменного, так и постоянного тока.
Контакторы постоянного тока выпускают в основном на напряжение 22 и 440 В, токи до 630 А, однополюсные и двухполюсные.
Контакторы серии КПД 100Е предназначены для коммутирования главных цепей и цепей управления электроприводом постоянного тока напряжением до 220 В. Контакторы выпускают на номинальные токи от 25 до 250 А.
Контакторы серии КПВ 600 предназначены для коммутации главных цепей электроприводов постоянного тока. Контакторы этой серии имеют два исполнения: с одним замыкающим главным контактом (КПВ 600) и с одним размыкающим главным контактом (КПВ 620).
Управление контакторами осуществляется от сети постоянного тока. Контакторы выпускаются на номинальные токи от 100 до 630 А.
Контактор на ток 100 А имеет массу 5,5 кг, на ток 630 А — 30 кг.
Контакторы переменного тока
Контакторы переменного тока строятся, как правило, трехполюсными с замыкающими главными контактами. Электромагнитные системы
выполняются шихтованными, т. е. набранными из отдельных изолированных друг от друга стальных пластин толщиной до 1 мм. Катушки низкоомные с малым числом витков. Основную часть сопротивления катушки составляет ее индуктивное сопротивлние, которое зависит от величины зазора. Поэтому ток в катушке контактора переменного тока при разомкнутой системе в 5–10 раз превышает ток при замкнутой магнитной системе. Электромагнитная система контакторов переменного тока имеет короткозамкнутый виток на сердечнике для устранения гудения и вибрации.
В отличии от контакторов постоянного тока режим включения контакторов переменного тока более тяжел, чем режим отключения из за пускового тока асинхронных электродвигателей с короткозамкнутым ротором. Наличие дребезга контактов при включении приводит к большому износу контактов. Поэтому борьба с дребезгом при включении контакторов приобретает первостепенное значение.
Х1 — номер серии, 60, 70.
Х2 — величина контактора: 0, 1, 2, 3, 4, 5, 6.
Х3 — число полюсов: 2, 3, 4, 5.
Х4 — дополнительное значение специфических особенностей серии: Б — модернизированные контакты; А — повышенная коммутационная способность при напряжении 660 В.
С — контакты с металлокерамическими накладками на основе серебра. Отсутствие буквы означает, что контакты медные.
Х5 — климатическое исполнение: У3, УХЛ, Т3.
Назначение и разновидности
Электромагнитный пускатель — аппарат, предназначенный для дистанционного управления силовыми нагрузками (осветительными, электронагревательными приборами, электродвигателями).
Примечание. Пускатель создавали для управления асинхронными электродвигателями с короткозамкнутым ротором.
В состав пускателя, как в комплектного устройства, могут входить кнопки управления, тепловые реле защиты, сигнальные лампы, размещенные в одном корпусе.
Магнитные пускатели различаются по назначению (нереверсивные, реверсивные), наличию или отсутствию тепловых реле, кнопок управления, степени защиты от воздействия окружающей среды, уровням коммутируемых токов, рабочему напряжению катушки.
Наиболее распространенные серии пускателей с контактной системой и электромагнитным приводом: ПМЕ, ПМА, ПА, ПВН, ПМЛ, ПВ, ПАЕ, ПМ12.
Выбор электромагнитного пускателя
Рассмотрим основные параметры для выбора электромагнитного пускателя.
Серия электромагнитного пускателя. Наибольшее применение находят пускатели серии ПМЛ и ПМ12, а также более дорогие, но и более качественные пускатели серии ПМУ и зарубежных фирм производителей «Сименс»,
«Легранд», «АББ», «Шнайдер Электрик».
Электромагнитные пускатели бывают: 1-й величины (ток главных контактов — 10 и 16 А); 2-й величины (25 А); 3-й величины (40 А); 4-й величины (63 А).
Примечание. Если нагрузки по току превышают 63 А, то в цепях управления электродвигателями и другими силовыми элементами схемы находят применение электромагнитные контакторы. Ток главных контактов аппарата должен быть больше максимального тока нагрузки (рабочего тока электродвигателя или другого электроприемника, для включения которого мы выбираем пускатель).
Рабочее напряжение катушки. Должно соответствовать напряжению цепей управления — стандартные значения напряжения ~24 В, ~110 В,
~220 В, ~380 В, DC 24 В.
Количество дополнительных контактов электромагнитного пускателя. Этот параметр должен соответствовать необходимому числу контактов в схеме управления. Отдельно необходимо считать контакты замыкающие и размыкающие. В случае если количество контактов аппарата оказывается меньше необходимого и в качестве аппарата была выбрана серия ПМЛ, то можно использовать приставку с дополнительными контактами серии ПКЛ.
Существует еще один тип приставок — ПВЛ. В отличие от приставок ПКЛ, эти приставки могут обеспечивать замедление срабатывания контактов на небольшое время, т. е. фактически, пускатели серии ПМЛ с приставками ПВЛ можно использовать, как простое реле времени (иногда для простых схем этот вариант оказывается дешевле, чем установка обычного реле времени).
Степень защиты, IP. IP — XX
Первая цифра кода: степень защиты персонала от соприкосновения с находящимися под напряжением частями и от соприкосновения с движущимися частями, расположенными внутри оболочки, а также степень защиты изделия от попадания внутрь твердых посторонних тел:
0 — защита отсутствует.
1 — защита от проникновения внутрь оболочки к токоведущим и движущим частям большого участка поверхности человеческого тела и защита от проникновения под оболочку твердых тел размером свыше 50 мм.
2 — защита от проникновения внутрь оболочки к токоведущим и движущимся частям пальцев или предметов длиной более 80 мм и от проникновения твердых тел размером свыше 12 мм.
3 — защита от проникновения внутрь оболочки к токоведущим движущимся частям инструментов, проволоки и т. д. диаметром или толщиной более 2,5 мм и от проникновения твердых тел размером более 2,5 мм.
4 — защита от проникновения внутрь оболочки к токоведущим и движущимся частям проволоки и других предметов толщиной более 1 мм, и от проникновения твердых тел размером более 1 мм.
5 — полная защита персонала от случайного соприкосновения с токоведущими движущимися частями, находящимися под оболочкой; проникновение пыли внутрь не предотвращено полностью, однако пыль не может проникать в количестве, достаточном для нарушения работы изделия
6 — полная защита персонала от случайного соприкосновения с токоведущими и движущимися частями и полная защита от проникновения пыли.
Вторая цифра кода: степень защиты изделия от попадания влаги: 0 — защита отсутствует.
1 — защита от капель воды. Капли воды, вертикально падающие на оболочку, не должны оказывать вредное воздействие на изделие.
2 — защита от капель воды, падающих на оболочку при наклоне 15 градусов. Капли не должны оказывать вредное воздействие на изделие.
3 — защита от дождя. Дождь, падающий на оболочку под углом 60° от вертикали, не должен оказывать вредного действия на изделие, находящееся под оболочкой.
4 — защита от брызг, падающих под любым углом. Брызги не должны оказывать вредного воздействия на изделие находящееся под оболочкой.
5 — защита от водяных струй. Струя воды, которая выбрасывается в любом направлении на оболочку, не должна оказывать вредного действия на изделие.
6 — защита от воздействий, характерных для палубы корабля (включая палубное водонепроницаемое оборудование).
7 — защита при погружении в воду. Вода не должна проникать в оболочку, погруженную в воду, при определенных условиях давления и времени в количестве, достаточном для повреждения изделия.
8 — защита при длительном погружении в воду. Изделия пригодны для длительного погружения в воду при условиях, установленных изготовителем.
Электромагнитный пускатель должен соответствовать условиям окружающей среды, в которой он работает. Необходимо учитывать то, что аппарат, установленный в пыльном помещении, но находящийся в шкафу управления со степенью защиты IP44, может иметь степень защиты IP20.
Наличие теплового реле. Если электромагнитный пускатель включает и выключает электродвигатели, которые испытывают перегрузки, то необходимо выбирать аппарат с тепловыми реле.
Наличие реверса. Для управления реверсивным электродвигателем существует возможность использовать реверсивный магнитный пускатель, который содержит 2 электромагнитных катушки, 6 силовых контактов, механическую блокировку.
Дополнительные элементы управления (кнопки на корпусе, лампочка). Класс износостойкости (количество срабатываний). Это важный параметр в том случае, когда аппарат предназначен для коммутации нагрузки, работающей в режиме частых включений и выключений. При большом значении количества включений и выключений в час используют бесконтактные пускатели.
Если соблюдать вышеперечисленные условия и требования, то выбранный аппарат будет работать надежно и служить максимально долго. Важно учитывать то, что надежность и безотказность работы любого электрического аппарата зависит от его грамотной эксплуатации.
Схема подключения магнитного пускателя
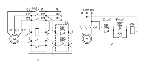
На рис. 10 показаны монтажная и принципиальная схемы включения нереверсивного магнитного пускателя для управления асинхронным электродвигателем с короткозамкнутым ротором. На монтажной схеме границы одного аппарата обведены штриховой линией.
На принципиальной схеме все элементы одного магнитного пускателя имеют одинаковые буквенно-цифровые обозначения. Это позволяет не связывать вместе условные изображения катушки контактора и контактов, добиваясь наибольшей простоты и наглядности схемы.

Рис. 10. Схема включения нереверсивного магнитного пускателя:а — монтажная; б — электрическая
Нереверсивный магнитный пускатель имеет контактор КМ с тремя главными замыкающими контактами (Л1 — С1, Л2 — С2, Л3 — С3) и одним вспомогательным замыкающим контактом (3-5).
Главные цепи, по которым протекает ток электродвигателя, принято изображать жирными линиями, а цепи питания катушки пускателя (или цепи управления) с наибольшим током — тонкими линиями.
Для включения электродвигателя М необходимо кратковременно нажать кнопку SB2 «Пуск». По цепи катушки магнитного пускателя, потечет ток, якорь притянется к сердечнику. Это приведет к замыканию главных контактов в цепи питания электродвигателя. Одновременно замкнется вспомогательный контакт 3-5, что создаст параллельную цепь питания катушки магнитного пускателя.
Если кнопку «Пуск» отпустить, то катушка магнитного пускателя будет включена через собственный вспомогательный контакт. Такую схему называют схемой самоблокировки.
Она обеспечивает так называемую нулевую защиту электродвигателя. Если в процессе работы электродвигателя напряжение в сети исчезнет или значительно снизится (обычно более чем на 40% от номинального значения), то магнитный пускатель отключается, и его вспомогательный контакт размыкается.
После восстановления напряжения для включения электродвигателя необходимо повторно нажать кнопку «Пуск».
Внимание. Нулевая защита предотвращает непредвиденный, самопроизвольный пуск электродвигателя, который может привести к аварии.
Аппараты ручного управления (рубильники, конечные выключатели) нулевой защитой не обладают, поэтому в системах управления станочным приводом обычно применяют управление с использованием магнитных пускателей.
Для отключения электродвигателя достаточно нажать кнопку SB1
«Стоп». Это приводит к размыканию цепи самопитания и отключению катушки магнитного пускателя.
Схема подключения реверсивного магнитного пускателя
В том случае, когда необходимо использовать два направления вращения электродвигателя, применяют реверсивный магнитный пускатель, принципиальная схема которого изображена на рис. 11, а.
Рассмотрим принцип действия схем включения реверсивного магнитного пускателя. Для изменения направления вращения асинхронного электродвигателя необходимо изменить порядок чередования фаз статорной обмотки.
В реверсивном магнитном пускателе используют два контактора: КМ1 и КМ2. Из схемы (рис. 11, а) видно, что при случайном одновременном включении обоих контакторов в цепи главного тока произойдет короткое замыкание. Для исключения этого схема снабжена блокировкой.
Если после нажатия кнопки SB3 «Вперед» к включения контактора КМ1 нажать кнопку SB2 «Назад», то размыкающий контакт этой кнопки отключит катушку контактора КМ1, а замыкающий контакт подаст питание в катушку контактора КМ2. Произойдет реверсирование электродвигателя.

Рис. 11. Схемы включения: а — принципиальная схема пускателя; б — принципиальная схема цепи управления реверсивного пускателя с блокировкой на вспомогательных размыкающих контактах
Электрическая схема цепи управления реверсивного пускателя с блокировкой на вспомогательных размыкающих контактах изображена на рис. 11, б. В этой схеме включение одного из контакторов, например КМ1 приводит к размыканию цепи питания катушки другого контактора КМ2. Для реверса необходимо предварительно нажать кнопку SB1
«Стоп» и отключить контактор КМ1.
Внимание. Для надежной работы схемы необходимо, чтобы главные контакты контактора КМ1 разомкнулись раньше, чем произойдет замыкание размыкающих вспомогательных контактов в цепи контактора КМ2. Это достигается соответствующей регулировкой положения вспомогательных контактов по ходу якоря.
В серийных магнитных пускателях часто применяют двойную блокировку по приведенным выше принципам. Реверсивные магнитные пускатели могут иметь механическую блокировку с перекидным рычагом, препятствующим одновременному срабатыванию электромагнитов контакторов. В этом случае оба контактора должны быть установлены на общем основании.
Наладка и эксплуатация электромагнитных пускателей и контакторов
Магнитные пускатели и контакторы проверяют и налаживают по следующей программе:
- внешний осмотр;
- регулировка магнитной и контактной системы;
- проверка сопротивления изоляции токоведущих частей.
При внешнем осмотре контакторов и магнитных пускателей, в первую очередь, обращают внимание на состояние главных и блокировочных контактов, магнитной системы, проверяют наличие всех деталей контактора: немагнитной прокладки у контактора постоянного тока, крепежных болтов, гаек, шайб, короткозамкнутого витка у контакторов переменного тока, дугогасительных камер.
Легкость хода контактора проверяют путем замыкания его от руки. Ход магнитной системы должен быть плавным, без толчков и заеданий.
При протекании тока по катушке контактор переменного тока должен издавать лишь слабый шум. Сильное гудение контактора может указывать на неправильное крепление якоря или сердечника, повреждение короткозамкнутого витка, охватывающего сердечник, или на неплотное прилегание якоря к сердечнику электромагнита. Для устранения чрезмерного гудения подтягивают винты, крепящие якорь и сердечник.
Плотность прилегания якоря к сердечнику проверяют следующим образом. Подкладывают между якорем и сердечником листок бумаги и замыкают контактор от руки. Площадь соприкосновения должна составлять не менее 70% сечения магнитопровода, при меньшей площади соприкосновения дефект устраняют правильной установкой сердечника и якоря. При образовании общего зазора шабруют поверхность вдоль слоев листовой стали магнитной системы.
По мере работы контактора постоянного тока может происходить истирание немагнитной прокладки, что уменьшает зазор и способствует прилипанию якоря к сердечнику. Поэтому при значительном износе прокладку заменяют на новую.
Внимание. Контактная система является наиболее ответственной частью контакторов магнитных пускателей, поэтому на ее состояние должно быть обращено особое Внимание.
В замкнутом состоянии контакты должны касаться друг друга нижними частями, образуя линейный контакт по всей ширине контакта без просветов. Наличие на контактной поверхности наплывов или застывших кусочков металла увеличивает контактное сопротивление (а, следовательно, и потери в контактах) более чем в 10 раз. Поэтому при обнаружении наплывов необходимо удалить их напильником.
Примечание. Зачистка наждачной бумагой и смазка контактной поверхности не допускается.
В особо ответственных контакторах и магнитных пускателях определяют начальную и конечную силы нажатия главных контактов. Начальное нажатие — сила, создаваемая контактной пружиной в момент соприкосновения контактов, характеризует упругость пружины. Конечная сила нажатия характеризует давление на контакты при полностью включенном контакторе и неизношенных контактах. Начальную и конечную силы нажатия определяют с помощью динамометра.
Сопротивление изоляции токоведущих частей контакторов и магнитных пускателей проверяют мегаомметром на 500 или 1000 В. Значение сопротивления изоляции катушки не должно быть ниже 0,5 МОм.
Кроме указанных выше работ в программу наладки могут быть включены следующие:
- проверка отсутствия короткозамкнутых витков в катушке;
- проверка контакторов многократными включениями и отключениями;
- настройка тепловых реле магнитных пускателей.
Неисправности электромагнитных пускателей и методы их устранения
Разновременность замыкания и состояние главных контактов. Разновременность замыкания главных контактов можно устранить затяжкой хомутика, держащего главные контакты на валу. При наличии на контактах следов окисления, наплывов или застывших капель металла, контакты надо зачистить.
Сильное гудение магнитной системы электромагнитного пускателя. Сильное гудение магнитной системы может свидетельствовать о некорректрой работе, которая может к выходу из строя катушек пускателя. При нормальной работе пускатель издает лишь слабый шум.
Для устранения гудения пускатель надо отключить и проверить:
- затяжку винтов, крепящих якорь и сердечник;
- не поврежден ли короткозамкнутый виток, уложенный в прорезы сердечника. Так как через катушку протекает переменный ток, то и магнитный поток изменяет свое направление и в какие то моменты времени становится равным нулю. В этом случае противодействующая пружина будет отрывать якорь от сердечника и возникнет дребезг якоря. Короткозамкнутый виток устраняет это явление;
- состояние поверхности соприкосновения обеих половин электромагнитной системы пускателя и точность пригонки их, так как в электромагнитных пускателях ток в обмотке сильно зависит от положения якоря. При наличии зазора между якорем и сердечником ток, проходящий через катушку больше номинального.
Для проверки точности соприкосновения между якорем и сердечником электромагнитного пускателя между ними можно подложить листок копировальной бумаги и листок тонкой белой бумаги и замкнуть пускатель от руки. Поверхность соприкосновения должна быть не менее 70% сечения магнитопровода. При меньшей поверхности соприкосновения этот дефект можно устранить правильной установкой сердечника электромагнитной системы пускателя. Если образовался общий зазор, то необходимо шабровать поверхность вдоль слоев листовой стали магнитной системы.
Отсутствие реверса в реверсивных магнитных пускателях. Отсутствие реверса в реверсивных пускателях можно устранить подгонкой тяг механической блокировки
Прилипание якоря к сердечнику пускателя. Прилипание якоря к сердечнику происходит в результате отсутствия немагнитной прокладки или недостаточной ее толщины. Пускатель может не отключиться даже при полном снятии напряжения с катушки. Необходимо проверить наличие и толщину немагнитной прокладки или воздушный зазор.
При включении пускатель становится на самоблокировку. Необходимо проверить состояние блокировочных контактов пускателя. Контакты во включенном положении должны плотно прилегать друг к другу и включаться одновременно с главными контактами пускателя. Зазоры блок-контактов (кратчайшее расстояние между разомкнутым подвижным и неподвижным контактом) не должны превышать допустимых значений. Необходимо произвести регулировку блок-контактов пускателя. Если провал блок-контакта становится меньше 2 мм, то блокконтакты надо заменить.
Своевременные испытания и регулировка электромагнитных пускателей позволяют заблаговременно избежать неполадок и повреждений.
Назначение
Коммутация тока в цепи электромагнитными пускателями, контакторами, реле, аппаратами ручного управления (рубильниками, пакетными выключателями, переключателями, кнопками и т. д.) осуществляется изменением в широких пределах электрического сопротивления коммутирующего органа. В контактных аппаратах таким органом является межконтактный промежуток. Его сопротивление при замкнутых контактах очень мало, при разомкнутых контактах может быть очень высоким.
В режиме коммутации цепи происходит очень быстрое скачкообразное изменение сопротивления межконтактного промежутка от минимальных до максимальных предельных значений (отключение), или наоборот (включение).
Определение. Бесконтактными электрическими аппаратами называют устройства, предназначенные для включения и отключения (коммутации) электрических цепей без физического разрыва самой цепи.
Основой для построения бесконтактных аппаратов служат различные элементы с нелинейным электрическим сопротивлением, величина которого изменяется в достаточно широких пределах, в настоящее время это — тиристоры и транзисторы, раньше использовались магнитные усилители.
Достоинства и недостатки бесконтактных аппаратов
- не образуется электрическая дуга, оказывающая разрушительное воздействие на детали аппарата;
- малое время срабатывания может допускать большую частоту срабатываний (сотни тысяч срабатываний в час);
- не изнашиваются механически.
- не обеспечивают гальваническую развязку в цепи и не создают видимого разрыва в ней, что важно с точки зрения техники безопасности;
- глубина коммутации на несколько порядков меньше контактных аппаратов;
- габариты, вес и стоимость на сопоставимые технические параметры выше.
Бесконтактные аппараты, построенные на полупроводниковых элементах, весьма чувствительны к перенапряжениям и сверхтокам.
Примечание. Чем больше номинальный ток элемента, тем ниже обратное напряжение, которое способен выдержать этот элемент в непроводящем состоянии.
Для элементов, рассчитанных на токи в сотни ампер, это напряжение измеряется несколькими сотнями вольт. Возможности контактных аппаратов: воздушный промежуток между контактами в 1 см способен выдержать напряжение до 30 кВ.
Полупроводниковые элементы допускают лишь кратковременную перегрузку током: в течение десятых долей секунды по ним может протекать ток порядка десятикратного по отношению к номинальному. Контактные аппараты способны выдерживать стократные перегрузки током в течение указанных отрезков времени.
Падение напряжения на полупроводниковом элементе в проводящем состоянии при номинальном токе примерно в 50 раз больше, чем в обычных контактах. Это определяет большие тепловые потери в полупроводниковом элементе в режиме длительного тока и необходимость в специальных охлаждающих устройствах.
Все это говорит о том, что вопрос о выборе контактного или бесконтактного аппарата определяется заданными условиями работы. При небольших коммутируемых токах и невысоких напряжениях использование бесконтактных аппаратов может оказаться более, целесообразным, чем контактных.
Примечание. Бесконтактные аппараты нельзя заменить контактными, когда необходимо большое быстродействие.
Безусловно, бесконтактные аппараты даже при больших токах предпочтительны, когда требуется обеспечить усилительный режим управления цепью. Контактные аппараты имеют определенные преимущества перед бесконтактными, если при относительно больших токах и напряжениях требуется обеспечивать коммутационный режим, т. е. простое отключение и включение цепей с током при небольшой частоте срабатываний аппарата.
Существенным недостатком элементов электромагнитной аппаратуры, коммутирующих электрические цепи, является низкая надежность контактов. Коммутация больших значений тока связана с возникновением электрической дуги между контактами в момент размыкания, которая вызывает их нагрев, оплавление, коррозию и эрозию и, как следствие, выход аппарата из строя.
В установках с частым включением и отключением силовых цепей ненадежная работа контактов коммутирующих аппаратов отрицательно сказывается на работоспособности и производительности всей установки. Бесконтактные электрические коммутирующие аппараты лишены указанных недостатков.
Тиристорный однополюсный контактор
Схема электрическая однополюсного контактора представлена на рис. 12. Для включения контактора и подачи напряжения на нагрузку должны замкнуться контакты SA в цепи управления тиристоров VS1 и VS2. Если в этот момент на зажиме 1 — положительный потенциал (положительная полуволна синусоиды переменного тока), то на управляющий электрод тиристора VS1 будет подано через резистор R1 и диод VD1 положительное напряжение. Тиристор VS1 откроется, и через нагрузку Rн пойдет ток.

Рис. 12. Схема электрическая однополюсного контактора
При смене полярности напряжения сети откроется тиристор VS2. Таким образом, нагрузка будет подключена к сети переменного тока. При отключении контактами SA размыкаются цепи управляющих электродов, тиристоры закрываются, и нагрузка отключается от сети.
Бесконтактные тиристорные пускатели
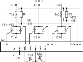
Для включения, отключения, реверсирования асинхронных электродвигателей разработаны тиристорные трехполюсные пускатели серии ПТ (рис. 13). Пускатель трехполюсного исполнения в схеме имеет шесть тиристоров VS1—VS6, включенных по два тиристора на каждый полюс.

Рис. 13. Схема бесконтактного тиристорного пускателя
Включение пускателя осуществляется посредством кнопок управления SB1 «Пуск» и SB2 «Стоп».
Схема бесконтактного тиристорного пускателя предусматривает защиту электродвигателя от перегрузки, для этого в силовую часть схемы установлены трансформаторы тока ТА1 и ТА2, вторичные обмотки которых включены в блок управления тиристорами.