Защитное отключение - электрозащитная мера, основанная на применении быстродействующих коммутационных аппаратов, отключающих питание электроустановки при возникновении в ней тока утечки на землю, или на защитный проводник, которое могло быть вызвано непреднамеренным включением человека в электрическую цепь.
Устройства, реализующие защитное отключение, согласно действующему ГОСТ Р 53312-2009 называются устройствами защитного отключения (УЗО).
В основе действия защитного отключения как электрозащитного средства лежит принцип ограничения (за счет быстрого отключения) продолжительности протекания тока через тело человека при непреднамеренном прикосновении его к элементам электроустановки, находящимся под напряжением.
На рисунке 1.1 представлены граничные кривые переменного тока промышленной частоты (сообщение Международной энергетической комиссии (МЭК) 479, глава 2, 3-е издание 1994 года), характеризующие воздействие электрического тока на человека в зависимости
от продолжительности времени его протекания. Необходимые пояснения к рисунку 1.1 приведены в таблице 1.1.

Обозначение интервала АС переменного тока | Предельное значение тока в интервале | Физиологическое воздействие |
1 | 2 | 3 |
АС-1 | до 0,5 мА (прямая а) | Обычно без ощутимого воздействия |
АС-2 | от 0,5 мА до ломаной линии b | Обычно без вредного физиологического воздействия |
АС-3 | от ломаной линии b до кривой c1 | Обычно без органического повреждения. Возможна судорога мышц и проблемы с дыханием, если ток протекает дольше 2 с. Нарушение сердечной деятельности без фибрилляции сердечной мышцы наблюдается только при более продолжительном времени протекания и при более высоких значениях тока |
АС-4 | выше кривой c1 | Увеличивается вероятность возникновения таких опасных патологических явлений, как остановка дыхания и тяжелые ожоги |
АС-4-1 | c1-c2 | Вероятность возникновения фибрилляции сердечной мышцы 5 % |
АС-4-2 | c2-c3 | Вероятность возникновения фибрилляции сердечной мышцы приблизительно 50 % |
АС-4-3 | выше кривой c3 | Вероятность возникновения фибрилляции сердечной мышцы выше 50 % |
Главным фактором, обуславливающим отсутствие смертельного исхода при поражении человека электрическим током, является малое время протекания электрического тока.
В специальной литературе приводится значение предельно допустимого произведения тока, протекающего по телу человека, и времени его протекания, равного 70 мА-с. При значениях сопротивления тела человека 2000 Ом и напряжения прикосновения 230 В величина тока, протекающего по телу, составит 230/2000 = 0,115 А. Время протекания тока в этом случае не должно превышать значения 0,6 с. В случае использования УЗО с номинальным отключающим дифференциальным током, равным lΔn=30 мА (рис. 1.1), значение времени отключения при касании человеком токоведущего проводника обычно находится в пределах от 10 до 30 мс, что гарантирует высокую степень безопасности.
ГОСТ Р 505713-94 (стандарт МЭК 60 364-4-41) устанавливает требования по обеспечению защиты от поражения электрическим током при эксплуатации зданий. Эта защита осуществляется применением мер, которые должны:
а) предотвратить возможность протекания тока через тело человека (изоляция токоведущих частей, уравнение потенциалов и другие);
б) ограничить величину тока, протекающего через тело человека, до безопасного значения, путем использования систем безопасного сверхнизкого напряжения;
в) быстро отключить неисправное электрооборудование от источника питания (предохранители, автоматические выключатели, УЗО).
В соответствии с 413-м разделом МЭК 60 364-4-41 мерами для обеспечения защиты от косвенного прикосновения являются:
- автоматическое отключение питания за определенное время (наибольшее время, в течение которого должно произойти автоматическое отключение источника питания, нормируется исходя из данных о воздействии электрического тока на организм человека (рис. 1.1));
- применение электрооборудования класса II или с равноценной изоляцией;
- применение изолирующих (непроводящих) помещений, зон, площадок;
- использование незаземленной системы местного уравнивания потенциалов;
- электрическое разделение цепей (с помощью разделяющего трансформатора или источника питания, равноценного ему по степени обеспечения электробезопасности).
Защита посредством автоматического отключения питания в установленное время может быть использована в системах заземления типов TN, TT и IT.
В соответствии с ГОСТ Р50571.2.94 (МЭК 364-3-93) в обозначении системы заземляющего устройства первая буква I или Т характеризует режим нейтрали трансформатора (генератора). Буква I означает, что сеть с изолированной нейтралью (нейтраль трансформатора изолирована от земли или связана с землей через очень большое сопротивление или разрядник). Буква Т означает, что нейтраль трансформатора имеет глухое заземление.
Вторая буква в обозначении системы характеризует тип соединения с землей нетоковедущих частей (корпуса) электроустановки, доступных прикосновению, которые могут оказаться случайно под напряжением. Буква Т означает прямое соединение открытых проводящих частей (корпусов) электроустановки с землей без связи их с нулевым многократно заземленным проводом, без связи их с нейтралью трансформатора.
Буква N указывает на присоединение нетоковедущих частей (корпусов) электроустановки с заземленной нейтралью (с нулевым многократно заземленным проводом) посредством PEN- или PE-проводников.
Последующие буквы характеризуют устройство нулевого защитного и нулевого рабочего проводников. Буква С означает, что функции нулевого защитного и нулевого рабочего проводников объединены в одном проводнике (PEN-проводнике), буква S - функции нулевого защитного и нулевого рабочего проводника обеспечиваются раздельными проводниками (табл. 1.2).
Условные графические изображения на электрических схемах нулевых рабочих и нулевых защитных проводников приведены в таблице 1.2.
Графическое изображение | Наименование проводника |
| Нулевой рабочий проводник (N) |
| Нулевой защитный проводник (РЕ) |
| Совмещенный нулевой рабочий и нулевой защитный проводник (РЕN) |

Рис. 1.2. Система заземления TN-S в трехфазных сетях переменного тока
Система заземления и зануления TN-S имеет N-проводник и PE-проводник, которые работают раздельно по всей системе. В этой системе устройство защитного отключения может устанавливаться в любой точке сети. Однако при этом в трехфазных сетях переменного тока для реализации системы TN-S требуется во всей сети с глухо заземленной нейтралью с занулением от трансформатора (генератора) до электроприемника применять пятипроводные линии (рис. 1.2). Это делает систему TN-S более дорогой и сложной.
Проводник N, вводимый вовнутрь электроустановки, подключается к нейтральной точке нагрузки с целью выравнивания напряжения на фазах нагрузки и для канализации рабочего тока в нулевом проводе. РЕ-проводник подключается к корпусу нагрузки и является нулевым защитным проводником.
Система заземления и зануления TN-C-S является комбинацией систем заземления TN-C и TN-S, в которой PEN-проводник используется только в сети общего пользования. В какой-то точке сети PEN-проводник разделяется на два проводника РЕ-проводник и N-проводник. После точки разделения РЕ- и N-проводники соединять (объединять) запрещается, N-проводник изолируется от корпуса, при этом предусматриваются раздельные зажимы или шины для РЕ-проводника и N-проводника. Разделение PEN-проводника в системе TN-C-S обычно осуществляется на вводе в электроустановку. В точке разделения PEN-проводник заземляется на повторный контур заземления (рис. 1.3).
К PEN-проводнику предъявляются следующие требования в системе TN-C-S:
- сечение медного проводника должно быть не менее 10 мм2;
- сечение алюминиевого проводника должно быть не менее 16 мм2;
- электроустановки с PEN-проводником не должны быть оснащены УЗО, реагирующими на дифференциальный ток. Устройства защитного отключения могут быть установлены только после разделения PEN-проводника со стороны электроприемников.
Следует отметить, что система TN-C-S является наиболее перспективной для практического применения, так как она позволяет применить УЗО при использовании раздельных РЕ- и N-проводников, что дает возможность обеспечить более высокий уровень электробезопасности по сравнению с системой TN-С, а в существующих электрических сетях не требуется реконструкция.
В системе заземления TT нейтраль трансформатора или генератора глухо заземлена, а открытые токопроводящие части корпуса оборудования присоединены к заземлителю, независимому от заземлителя нейтрали источника питания (рис. 1.4). В данной системе заземляющие устройства выполняются без связи между собой, таких устройств может быть несколько. Эта система применяется в электросетях напряжением 110 кВ и выше, когда электроэнергия передается на большие расстояния по трехпроводной трехфазной линии, а заземляющие устройства выполняются «собственные» на каждой повышающей или понижающей подстанции.

Рис. 1.3. Система заземления TN-С и TN-C-S в трехфазных сетях переменного тока
В некоторых случаях по ГОСТ Р50669 рекомендуется использовать эту систему при проектировании, монтаже и эксплуатации электроустановок зданий и помещений из металла (киоски, павильоны и т. п.), где существует металлическая связь между источником и электроприемником. Это правило распространяется и на электроприемники передвижных установок от передвижных автономных источников питания, где имеется металлическая связь корпусов электрооборудования.
Защита от сверхтоков, используемая в сетях системы ТТ, TN и IT, в части обеспечения электробезопасности имеет ряд технических недостатков, например:
а) в ряде случаев приходится ограничивать мощность потребления электроприемников для того, чтобы обеспечить нужное сопротивление заземляющего устройства RA или полного сопротивления цепи замыкания ZA;

Рис. 1.4. Система заземления ТТв трехфазных сетях переменного тока
б) если значения ZA или RA в месте повреждения недостаточно малы, то на открытых проводящих частях может появиться опасное напряжение прикосновения. При небольшом значении тока повреждения время отключения велико. В течение этого времени на открытой проводящей части присутствует опасное напряжение прикосновения, а защитный проводник осуществляет вынос потенциала на другие открытые проводящие части;
в) в сетях системы TN-C на открытых проводящих частях появляется фазное напряжение в случаях:
- замены проводника PEN на фазный;
- обрыва проводника PEN;
г) при замене аппарата защиты на аппарат с большим номинальным током, выполненной неквалифицированным персоналом, время отключения поврежденного участка может превышать допустимое, либо отключение может вообще не произойти;
д) защита от непосредственного прикосновения к токоведущим частям не обеспечивается.
Кроме того, выполнение требований, обеспечивающих электробезопасность в сети системы ТТ посредством предохранителей или автоматических выключателей, практически не реализуемо. Поэтому в
таких сетях должны использоваться УЗО. В свою очередь, в сетях систем TN и IT с введением в действие стандарта МЭК 60 364-4-41 ужесточаются требования ко времени отключения защитными аппаратами поврежденного участка сети. Для случаев, когда реализация увеличения сечений проводников затруднена, стандарт четко определяет альтернативное решение - использование УЗО.
Устройство защитного отключения является превентивным элек- трозащитным мероприятием и в сочетании с современными системами заземления (TN-S, TN-C-S, ТТ) обеспечивает высокий уровень электробезопасности при эксплуатации электроустановок.
Принцип работы УЗО состоит в том, что оно постоянно контролирует входной сигнал и сравнивает его с наперед заданной величиной (уставкой). Если входной сигнал превышает уставку, то устройство срабатывает и отключает защищенную электроустановку от сети. В качестве входных сигналов устройств защитного отключения используют различные параметры электрических сетей, которые несут в себе информацию об условиях поражения человека электрическим током.
Все УЗО по виду входного сигнала классифицируют на несколько типов (рис. 1.5).

Рис. 1.5. Классификация УЗО по виду входного сигнала
Кроме того, УЗО могут классифицироваться по другим критериям, например, по конструктивному исполнению.
Основными элементами любого устройства защитного отключения являются датчик, преобразователь и исполнительный орган.
Принцип действия УЗО дифференциального типа основан на применении электромагнитного векторного сумматора токов - дифференциального трансформатора тока. Сравнение текущих значений двух и более (в четырехполюсных УЗО - четырех) токов по амплитуде и фазе наиболее эффективно, т. е. с минимальной погрешностью, осуществляется электромагнитным путем - с помощью дифференциального трансформатора тока (рис. 1.6).
Конструктивно дифференциальные УЗО разделяются на два типа:
- электромеханические УЗО, функционально не зависящие от напряжения питания. Источником энергии, необходимой для функционирования таких УЗО - выполнения защитных функций, включая операцию отключения, является сам входной сигнал - дифференциальный ток, на который оно реагирует;
- электронные УЗО, функционально зависящие от напряжения питания. Их механизм для выполнения операции отключения нуждается в энергии, получаемой либо от контролируемой сети, либо от внешнего источника.
Применение устройств, функционально зависящих от напряжения питания, более ограничено в силу их меньшей надежности и подверженности воздействию внешних факторов. Однако основной причиной меньшего распространения таких устройств является их неработоспособность при часто встречающейся и наиболее опасной по условиям вероятности электропоражения неисправности электроустановки, а именно - при обрыве нулевого проводника в цепи до УЗО по направлению к источнику питания. В этом случае электронное УЗО, не имея питания, не функционирует, а на электроустановку по фазному проводнику выносится опасный для жизни человека потенциал.
К магнитопроводу трансформатора тока электромеханического УЗО предъявляются чрезвычайно высокие требования по качеству: высокая чувствительность, линейность характеристики намагничивания, температурная и временная стабильность и т. д. По этой причине для изготовления магнитопроводов трансформаторов тока, применяемых при производстве УЗО, используется специальное высококачественное аморфное (некристаллическое) железо.
Важнейшим функциональным блоком УЗО (рис. 1.6) является дифференциальный трансформатор тока 1. В абсолютном большинстве УЗО, производимых и эксплуатируемых в настоящее время во всем мире, в качестве датчика дифференциального тока используется именно трансформатор тока. В литературе по вопросам конструирования и применения УЗО этот трансформатор иногда называют трансформатором тока нулевой последовательности (ТТНП), хотя понятие «нулевая последовательность» применимо только к трехфазным цепям и используется при расчетах несимметричных режимов многофазных цепей.
Пусковой орган (пороговый элемент) 2 выполняется, как правило, на чувствительных магнитоэлектрических реле прямого действия или электронных компонентах. Исполнительный механизм 3 включает в себя силовую контактную группу с пружинным механизмом привода.
В нормальном режиме, при отсутствии дифференциального тока - тока утечки, в силовой цепи по проводникам, проходящим сквозь окно магнитопровода и образующим встречно включенные первичные обмотки дифференциального трансформатора тока 1, протекает рабочий ток нагрузки I1 = I2. Ток I1 протекает по направлению к нагрузке, I2 - от нагрузки.
Равные токи во встречно включенных обмотках наводят в магнитном сердечнике трансформатора тока, равные по значению, но противоположно направленные магнитные потоки Ф1 и Ф2. Результирующий магнитный поток оказывается равным нулю, следовательно, ток во вторичной обмотке дифференциального трансформатора также будет отсутствовать. При этом пусковой орган 2 находится в состоянии покоя.
При прикосновении человека к открытым токопроводящим частям или к корпусу электроприемника, который в результате пробоя изоляции оказался под напряжением, по фазному проводнику через УЗО, кроме тока нагрузки I1, потечет дополнительный ток ΔI (ток утечки), являющийся для трансформатора тока дифференциальным (разностным). Неравенство токов в первичных обмотках - I1 + ΔI в фазном проводнике и I2 = I1 в нулевом рабочем проводнике - вызывает небаланс магнитных потоков и, как следствие, возникновение во вторичной обмотке трансформированного дифференциального тока. Если этот ток превышает заданное значение тока порогового элемента пускового органа 2, последний срабатывает и воздействует на исполнительный механизм 3. Исполнительный механизм, обычно состоящий из пружинного привода, спускового механизма и группы силовых контактов, размыкает электрическую цепь. В результате защищаемая УЗО электроустановка обесточивается.

Рис. 1.6. Структурная схема и принцип действия УЗО
При прикосновении человека к открытым токопроводящим частям или к корпусу электроприемника, который в результате пробоя изоляции оказался под напряжением, по фазному проводнику через УЗО, кроме тока нагрузки I1, потечет дополнительный ток ΔI (ток утечки), являющийся для трансформатора тока дифференциальным (разностным). Неравенство токов в первичных обмотках - I1 + ΔI в фазном проводнике и I2 = I1 в нулевом рабочем проводнике - вызывает небаланс магнитных потоков и, как следствие, возникновение во вторичной обмотке трансформированного дифференциального тока. Если этот ток превышает заданное значение тока порогового элемента пускового органа 2, последний срабатывает и воздействует на исполнительный механизм 3. Исполнительный механизм, обычно состоящий из пружинного привода, спускового механизма и группы силовых контактов, размыкает электрическую цепь. В результате защищаемая УЗО электроустановка обесточивается.
Для осуществления периодического контроля исправности (работоспособности) УЗО предусмотрена цепь тестирования 4. При нажатии кнопки «Т» искусственно создается цепь протекания отключающего дифференциального тока. Срабатывание УЗО в этом случае означает, что устройство в целом исправно.
Основными параметрами, по которым подбирается то или иное УЗО, являются: номинальный ток нагрузки, т. е. рабочий ток электроустановки, который протекает через нормально замкнутые контакты УЗО в дежурном режиме; номинальное напряжение; уставка; время срабатывания устройства.
Номинальное напряжение (Un) - значение напряжения, установленное изготовителем УЗО, при котором устройство работоспособно. Обычно 220 или 380 В. Равенство напряжения в сети и номинального напряжения УЗО очень важно для электронных УЗО. От этого сильно зависит его работоспособность.
Номинальный ток (In) - максимальный ток, при котором УЗО сохраняет свою работоспособность продолжительное время. Номинальный ток УЗО выбирается из ряда: 10, 13, 16, 20, 25, 32, 40, 63, 80, 100, 125 А. Поскольку УЗО должно быть защищено последовательным защитным устройством (ПЗУ), номинальный ток нагрузки УЗО должен быть скоординирован с номинальным током ПЗУ. Номинальный ток нагрузки УЗО должен быть равен или на ступень выше номинального тока последовательного защитного устройства. Это означает, что, например, в цепь, защищаемую автоматическим выключателем с номинальным током нагрузки 25 А, должно быть установлено УЗО с номинальным током 40 А (см. табл. 1.3).
Устройство | Номинальный ток нагрузки, А | ||||||
ПЗУ | 10 | 16 | 25 | 40 | 63 | 80 | 100 |
УЗО | 16 | 25 | 40 | 63 | 80 | 100 | 125 |
Целесообразность такого требования можно объяснить простым примером. Если УЗО и автоматический выключатель имеют равные номинальные токи, то при протекании тока, превышающего номинальный, например, на 45 %, т. е. тока перегрузки, этот ток будет отключен автоматическим выключателем за время до одного часа. Это означает, что этот период времени УЗО будет перегружено. Номинальный не отключающий дифференциальный ток УЗО равен половине значения тока уставки. Это означает, что реальное значение дифференциального тока, при котором УЗО срабатывает, находится в диапазоне от половины до целого значения номинального отключающего тока. При этом каждое конкретное устройство имеет, как правило, определенное стабильное значение отключающего тока, находящееся в указанном диапазоне. Проектировщики и пользователи УЗО должны во избежание ложных отключений учитывать данное обстоятельство и сопоставлять реальное значение отключающего тока с «фоновым» током утечки в электроустановке.
Номинальный отключающий дифференциальный ток (Idn) - ток утечки. Основная характеристика УЗО. Данное значение показывает величину дифференциального тока, указанное при котором УЗО должно срабатывать при заданных условиях. Номинальный отключающий дифференциальный ток УЗО выбирается из следующего ряда: 6, 10, 30, 100, 300, 500 мА. Уставку УЗО для каждого конкретного случая применения выбирают с учетом следующих факторов:
- значения существующего в данной электроустановке суммарного (с учетом присоединяемых стационарных и переносных электроприемников) тока утечки на землю - так называемого «фонового тока утечки»;
- значения допустимого тока через человека на основе критериев электробезопасности;
- реального значения отключающего дифференциального тока
УЗО, которое в соответствии с требованиями ГОСТ Р 50807-94 находится в диапазоне (0,5-1) IΔn. Согласно требованиям ПУЭ
(п. 7.1.83), номинальный дифференциальный отключающий ток УЗО должен быть не менее чем в три раза больше суммарного тока утечки защищаемой цепи электроустановки (IΔ), т. е. IΔn > 3 ⋅ IΔ.
Суммарный ток утечки электроустановки замеряется специальными приборами, либо определяется расчетным путем. Рекомендуемые значения на основе критериев электробезопасности номинального отключающего дифференциального тока - IAn (уставки) УЗО для диапазона номинальных токов (16-80) А приведены в таблице 1.4.
Номинальный ток нагрузки в зоне защиты, А | 16 | 25 | 40 | 63 | 80 |
IAn при работе в зоне защиты одиночного потребителя, мА | 10 | 30 | 30 | 30 | 100 |
IAn при работе в зоне защиты группы потребителей, мА | 30 | 30 | 30 (100) | 100 | 300 |
IAn УЗО противопожарного назначения на ВРУ, ВРЩ, мА | 300 | 300 | 300 | 300 | 300 |
При отсутствии фактических (замеренных) значений тока утечки в электроустановке ПУЭ ([1] п. 7.1.83) предписывают принимать ток утечки электроприемников из расчета 0,4 мА на 1 А тока нагрузки, а ток утечки цепи из расчета 10 мкА на 1 м длины фазного проводника.
В некоторых случаях для определенных потребителей значение уставки задается нормативными документами. В ГОСТ Р 50669-94 применительно к зданиям из металла или с металлическим каркасом задается значение уставки УЗО не выше 30 мА. Временные указания предписывают: для сантехнических кабин, ванных и душевых устанавливать УЗО с током срабатывания: 10 мА, если на них выделена отдельная линия. В остальных случаях (например, при использовании одной линии для сантехнической кабины, кухни и коридора) допускается использовать УЗО с уставкой 30 мА. В индивидуальных жилых домах для групповых цепей, питающих штепсельные розетки внутри дома, включая подвалы, встроенные и пристроенные гаражи, а также в групповых сетях, питающих ванные комнаты, душевые и сауны УЗО с уставкой 30 мА.
ПУЭ ([1] п. 7.1.84) рекомендуется для повышения уровня защиты от возгорания при замыканиях на заземленные части на вводе в квартиру, индивидуальный дом и тому подобное установка УЗО с током срабатывания до 300 мА.
В соответствии с ПУЭ ([1] п. 1.7.177) в животноводческих помещениях, в которых отсутствуют условия, требующие выполнения выравнивания потенциалов, должна быть выполнена защита при помощи
УЗО с номинальным отключающим дифференциальным током не менее 100 мА, устанавливаемых на вводном щитке.
Номинальный условный ток короткого замыкания (Inc) - характеристика, определяющая надежность и прочность устройства, качество исполнения его механизма и электрических соединений при протекании сверхтока (тока короткого замыкания в сети), значение этого параметра проверяется при сертификационных испытаниях. Еще этот параметр называют «стойкость к току короткого замыкания». Автомат, который защищает цепь, сработает на отключение, но это произойдет через 10 мс. За это время УЗО будет находиться под воздействием сверхтока, если оно сохраняет работоспособность, то его качество считается высоким. Значения номинального тока короткого замыкания стандартизованы и равны: 3000, 4500, 6000 и 10000 А. Минимально допустимое значение - 3000 А. Для УЗО типов S и G (с задержкой срабатывания) предъявляются повышенные требования к току короткого замыкания. Их устанавливают на вводе, и они находятся под воздействием сверхтока более продолжительное время.
Номинальная коммутационная способность (Im) - согласно требованиям, должна быть не менее, чем в 10 раз больше номинального тока или равна 500 А. Качественные устройства имеют, как правило, гораздо более высокую коммутационную способность - 1000, 1500 А. Такие устройства надежнее, и в аварийной ситуации, например, при коротком замыкании на землю, УЗО, опережая автомат защиты, гарантированно произведут отключение электроустановки.
Номинальное время отключения (tn) - промежуток времени между моментом внезапного возникновения отключающего дифференциального тока и моментом гашения дуги на всех полюсах. Стандартами установлено предельно допустимое время отключения УЗО - 0,3 с. В действительности современные качественные УЗО имеют быстродействие порядка 20-30 мс. Это означает, что УЗО - «быстрый» выключатель, поэтому на практике возможны ситуации, когда УЗО срабатывает раньше аппарата защиты и отключает как токи нагрузки, так и сверхтоки.
Дополнительные технические характеристики УЗО:
1. Показатель качества изготовления. Номинальный ток короткого замыкания (Inc) - один из основных параметров УЗО, характеризующий, прежде всего, качество изделия. Указанное заводом- изготовителем значение этого параметра проверяется при сертификационных испытаниях устройства. Смысл испытания заключается в определении термической и электродинамической стойкости изделия при протекании сверхтоков. При испытании на специальном стенде создается цепь из мощного источника и нагрузки, обеспечивающая протекание заданного сверхтока из ряда: 3; 4,5; 6; 10 кА. Испытательный ток не достигает заданного значения, поскольку отключается ранее последовательно включенным защитным аппаратом с нормированной уставкой. Как правило, для этой цели применяются плавкие вставки в виде серебряных проводников калиброванного сечения. Значение Inc, как важнейшего параметра УЗО, должно обязательно быть приведено на лицевой панели устройства, или в сопроводительной технической документации на УЗО. Для УЗО типов S и G предъявляются повышенные требования по данному параметру, поскольку предполагается, что, во-первых, УЗО этого типа устанавливаются на головном участке сети, где токи короткого замыкания, естественно, выше, во-вторых, такие устройства, имея задержку по срабатыванию, могут находиться под воздействием аварийных токов более продолжительное время.
2. Показатель качества изготовления. Номинальный дифференциальный ток короткого замыкания (IDc) - параметр аналогичен рассмотренному в Inc. Главным отличием является то, что сверхток протекает по одному проводнику УЗО и испытания проводятся при включении испытательного тока поочередно по отдельным полюсам УЗО.
3. Предельное значение неотключающего сверхтока (Inm) - данный параметр характеризует способность УЗО не реагировать на симметричные токи короткого замыкания и перегрузки и также является важным показателем качества устройства. Неправильно считать, что это ток, при котором УЗО должно производить отключение. Нормативы определяют минимальное значение неотключающего тока, равное шестикратному значению номинального тока нагрузки, т. е. Inm = 6-In. Максимальное значение неотключающего сверхтока не нормируется и может иметь значения, намного превышающие 6 In.
4. Номинальная включающая и отключающая способность (коммутационная способность) - (Im) - Коммутационная способность зависит от уровня технического исполнения устройства - качества силовых контактов, мощности пружинного привода, материала (пластмассовых или металлических деталей) и качества механизма, наличия дугогасящей камеры и др. Этот параметр в значительной степени определяет надежность УЗО. В некоторых аварийных режимах УЗО должно осуществить отключение сверхтоков, опережая автоматический выключатель, при этом оно должно сохранить свою работоспособность.
5. Номинальная включающая и отключающая способность по дифференциальному току (IDm) - данная характеристика аналогична рассмотренной выше Im с той разницей, что предполагается протекание дифференциального сверхтока, например, при коротком замыкании на корпус электроприемника в системе TN-C-S.
По условиям функционирования дифференциальные УЗО подразделяются на следующие типы: АС, А, В, S и G.
УЗО типа АС - устройство защитного отключения, реагирующее на переменный синусоидальный дифференциальный ток, возникающий внезапно, либо медленно возрастающий.
УЗО данного типа применяются в системах, где возможен синусоидальный ток утечки на землю. Они не чувствительны к импульсным дифференциальным токам с пиковым значением до 250А (форма волны 8/20 pS), которые могут возникнуть, например, при наложении импульсов перенапряжения при включении люминесцентных ламп, рентгеновского оборудования, систем обработки информации, тиристорных преобразователей.
Стандартные значения максимально допустимого времени отключения УЗО типа АС при любом номинальном токе нагрузки и заданных нормами значениях дифференциального тока не должны превышать приведенных в таблице 1.5.
Максимальное время отключения, установленное в таблице 1.5, распространяется также на УЗО типа А. При этом испытания УЗО типа А проводят при значениях токов iΔn, 2lΔn, 5lΔn и 500 А с коэффициентом 1,4 (при IΔn > 0,01 А) и с коэффициентом 2 (при IΔn < 0,01 А).
Номинальный отключающий дифференциальный ток | IΔn | 2IΔn | 5IΔn | 500 А |
Номинальное время отключения tn, с | <0,3 | <0,15 | <0,04 | <0,04 |
УЗО типа А - устройство защитного отключения, реагирующее на переменный синусоидальный дифференциальный ток и пульсирующий постоянный дифференциальный ток, возникающие внезапно, либо медленно возрастающие.
УЗО данного типа не чувствительны к импульсным утечкам с пиковым значением тока до 250 А (форма волны 8/20 pS). Они предназначены для использования в установках, где имеются электронные выпрямители и фазоимпульсные регуляторы физической величины (скорости, температуры, интенсивности освещения) класса изоляции I, получающие питание непосредственно из электросети без использования трансформатора (класс изоляции II, по своему определению, не допускает утечки на землю). УЗО типа А способны распознавать пульсирующие токи замыкания на землю с постоянной составляющей, которые могут возникать в подобных схемах.
УЗО типа В - устройство защитного отключения, реагирующее на переменный, постоянный и выпрямленный дифференциальные токи.
УЗО данного типа пригодны для защиты установок от пульсирующего постоянного или синусоидального тока утечки, а так же постоянного тока утечки. Способны распознавать постоянный ток утечки с небольшой пульсацией. Их рекомендуется использовать для защиты электродвигателей и инверторных приводов насосов, лифтов, текстильных и обрабатывающих станков.
УЗО типа G- устройство защитного отключения с кратковременной выдержкой времени.
Для электрических потребителей, вызывающих при включении кратковременные высокие дифференциальные токи (например, переходные токи, протекающие через конденсатор помехоподавления между фазным проводом и проводом РЕ), могут происходить нежелательные срабатывания УЗО без выдержки времени, если дифференциальный ток превышает расчетный отключающий дифференциальный ток IΔn УЗО.
Для таких случаев, когда устранение подобных источников помех невозможно или возможно лишь отчасти, могут применяться УЗО с кратковременной выдержкой срабатывания.
Эти устройства имеют время срабатывания более 10 мс, т. е. они не должны срабатывать при импульсе тока длительностью 10 мс. При этом выдерживаются условия срабатывания согласно DIN VDE 0664 часть 1. Устройства обладают импульсной устойчивостью 3 кА, превосходящей требования DIN VDE 0664. Устройства защитного отключения с кратковременной выдержкой срабатывания обозначаются маркировкой G.
Предельные значения времени отключения УЗО типа G в зависимости от величины тока IAn приведены в таблице 1.6.
Номинальный отключающий дифференциальный ток | IΔn | 2IΔn | 5IΔn | 500 А |
Максимальное время отключения, с | 0,3 | 0,15 | 0,15 | 0,04 |
Минимальное время неотключения, с | 0,01 | 0,01 | 0,01 | 0,01 |
УЗО типа S - устройство защитного отключения, селективное(с выдержкой времени отключения). Селективность УЗО означает, что из последовательно включенных в цепь устройств, срабатывает только то, которое расположено ближе к месту повреждения. Цель селективности - исключение нежелательных отключений последующих УЗО.
Для всех приведенных выше типов УЗО их селективная работа невозможна. Для того чтобы добиться селективности при последовательном включении УЗО, эти устройства должны различаться как по выдержке времени срабатывания, так и по расчетному отключающему дифференциальному току. Для селективных УЗО предусмотрена маркировка S. Стандартные значения допустимого времени отключения и не отключения для УЗО типа S при любом номинальном токе нагрузки свыше 25 А и значениях номинального отключающего дифференциального тока свыше 0,03 А не должны превышать приведенных в таблице 1.7.
Номинальный отключающий дифференциальный ток | IΔn | 2 IΔn | 5 IΔn | 500 А |
Максимальное время отключения, с | 0,5 | 0,2 | 0,15 | 0,15 |
Минимальное время неотключения, с | 0,13 | 0,06 | 0,05 | 0,04 |
Из таблиц 1.4-1.7 следует:
- УЗО для общего применения без задержки срабатывания и УЗО типа G имеют одинаковые верхние предельные значения времени отключения. УЗО этих типов должны отключиться не позже 0,3 с после возникновения отключающего дифференциального тока Idn , а устройства селективного типа - не позже 0,5 с;
- у УЗО для общего применения отсутствует нижняя граница времени срабатывания;
- УЗО с задержкой срабатывания имеет определенное время не отключения, когда устройство находится в состоянии ожидания. Очевидно, что УЗО с задержкой срабатывания можно использовать для исключения ложных срабатываний под влиянием кратковременных внешних воздействий (перенапряжений, различных помех, коммутаций электроприемников).
К УЗО также предъявляется требование, заключающееся в том, что рабочий диапазон срабатывания устройства должен находиться в пределах от 50-100 % тока 1Ап.
Параметр, называемый «устойчивость к импульсному току», определяет наибольшую величину максимального мгновенного значения тока (ударный ток) в рабочих проводниках, при котором УЗО не должно сработать. Например, если у УЗО общего применения без задержки отключения устойчивость к импульсному току составляет 250 А, то в случае наличия ударного тока при коммутации электропотребителя, превышающего указанное значение, может произойти ложное отключение УЗО. Срабатывание произойдет из-за несимметричного расположения проводов в окне суммирующего трансформатора тока. Очевидно, что УЗО с задержкой срабатывания отличается повышенной устойчивостью к ударному току в рабочих проводниках
Для обеспечения селективности двух последовательно включенных в цепь УЗО их графически изображенные время токовые характеристики срабатывания не должны иметь общих точек. Время токовые характеристики УЗО различных типов (G, S и общего применения) представлены на рисунке 1.7. Из рисунка 1.7 видно, что расположение УЗО типа S с указанными на рисунке параметрами ближе к источнику питания обеспечит селективную работу устройств, включенных в радиальную схему сети на участках, расположенных дальше от источника питания.
Для обеспечения селективной работы последовательно включенных в цепь УЗО во всех случаях (независимо от значений дифференциальных токов при повреждениях в сети) требуется выполнение двух условий:
1. УЗО, расположенное ближе к источнику питания, должно быть типа S. При этом достигается селективность по времени.

Рис. 1.7. Времятоковые характеристики УЗО типа G, S и общего применения
2. Значение номинального отключающего дифференциального тока УЗО типа S должно быть не менее утроенного значения номинального отключающего дифференциального тока УЗО типа G или общего применения, расположенных дальше от источника питания, т. е.:
IΔnS ³ 3·IΔnG.
Необходимо отметить, что УЗО предназначены, прежде всего, для защиты электрических цепей от утечек токов на «землю» и никак не могут быть использованы в качестве «автоматов» - для защиты от коротких замыканий. Более того, УЗО само должно быть обеспечено защитой от сверхтоков и токовых перегрузок.
В настоящее время отечественной и зарубежной промышленностью выпускается целый ряд УЗО различного назначения. Из отечественных фирм потребителям известны ставропольский завод «СИГНАЛ», фирма «АСТРО-УЗО» , фирма ОАО «КОНТАКТОР», Интерэлектрокомплект. Кроме того, широко используются УЗО известных зарубежных фирм, таких как Siemens, ABB, SchneiderElectric, Legrand, Hager, EKF, AEG, Circutor- GEPower и др.
Французский концерн SchneiderElectric предлагает российским покупателям сразу две гаммы устройств данного класса - многофункциональную серию Multi 9 марки MerlinGerin и серию устройств, специально предназначенных для оборудования жилых зданий - «Домовой».
Свое название гамма получила, потому что 9 мм - стандартная ширина дополнительного контакта или половина ширины автоматического выключателя, а приставка «мульти» говорит о большой номенклатуре выпускаемых изделий, устанавливаемых на DIN-рейку.
УЗО серии Multi 9 мгновенного действия (тип ID) на токи 16-125 А предназначены для отключения цепи (вручную и автоматически) в случае повреждения изоляции между фазой и землей, когда ток утечки более или равен 10, 30, 300, 500 мА.
УЗО типа ID мгновенного действия применяются в распределительных сетях административных и промышленных зданий. Отстраивается от кратковременных, неустойчивых, случайных перенапряжений (пробой из-за пыли, коммутационные перенапряжения, грозовые разряды и т. д.) и работы высокочастотного оборудования.
Большинство промышленных электрических установок создают или передают помехи. Кроме того, питающие их воздушные сети, как правило, подвергаются действию атмосферных возмущений, а сами устройства УЗО могут быть чувствительны к грозовым разрядам. В действительности, в зависимости от удаленности источника помех, сеть низкого напряжения может испытывать воздействие:
- перенапряжения, которое возникает между токоведущими проводами и землей, когда помеха уходит на землю значительно выше устройства УЗО (рис. 1.8, а);
- тока перегрузки, часть которого попадает в сеть ниже УЗО, например, через паразитные емкости (рис. 1.8, б);
- тока перегрузки, определяемого устройством УЗО, возникающего в результате пробоя ниже УЗО (рис 1.8, в).
В номенклатуре изделий УЗО серии Multi 9, кроме УЗО мгновенного действия (рис. 1.9, а, б), предусмотрены устройства УЗО, устойчивые к указанным выше паразитным токам; это УЗО типа «S» с током отключения (IΔn > 100 мА). Кроме того, в изделия данной серии входят устройства с высокой чувствительностью и повышенной стойкостью. Это УЗО типа «Si» (рис. 1.9, в) с током отключения (IΔn < 30 мА) марки MerlinGerin.

Рис. 1.8. Стандартные волны напряжения и тока, характерные для грозового разряда
Необходимо отметить, что УЗО типа «S» позволяет выполнить селективную цепь с отходящими линиями с дифференциальными выключателями нагрузки на 10 и 30 мА (рис. 1.9, г).
Применение в сети УЗО типа «S» и «Si» позволяет обеспечить ее устойчивость к воздействию на цепи защиты: токов утечки частотой 50-60 Гц (микрокомпьютеры и другие электронные устройства); переходных токов утечки (подключение цепи с емкостным небалансом); высокочастотных токов утечки (тиристорные выпрямители с фильтрами, имеющими конденсаторы); токов, возникающих в результате грозового разряда. В результате применения данных типов УЗО, минимизируется число случаев ложных срабатываний защищаемых участков сети.
В зависимости от назначения и условий применения УЗО серии Multi 9 комплектуются различного типа вспомогательными электрическими устройствами. Вспомогательные электрические устройства позволяют осуществлять дистанционное отключение и сигнализацию состояния УЗО. Они монтируются с левой стороны от УЗО (рис. 1.10).
УЗО со встроенной максимальной токовой защитой являются комбинацией двух защитных устройств - УЗО и автоматического выключателя (АВ). Обозначения таких устройств, используемые в зарубежной литературе - RSBO (английское обозначение), FI/LS или DI/LS (немецкое обозначение).

Рис. 1.9. УЗО серии Multi 9 марки Merlin Gerin: а - двухполюсное типа ID; б - четырехполюсное типа ID; в - двухполюсное типа Si; г – схема подключения селективного УЗО типа S

Рис. 1.10. Вспомогательные электрические устройства для УЗО серии Multi 9
Встроенная максимальная токовая защита осуществляет защиту от сверхтоков как контактов УЗО, так и электрической цепи. Механизм отключения встроенного АВ, обеспечивающего защиту от сверхтоков, используется также для отключений, производимых УЗО. Технические данные УЗО представляют собой комбинацию параметров УЗО (номинальный отключающий дифференциальный ток и другие) и АВ (номинальный ток, отключающая способность и т. д.). Характери стики отключения встроенного защитного АВ и УЗО (Idn = 30 мА) представлены на рисунке 1.11.

Рис. 1.11. Времятоковые характеристики УЗО (1Ап = 30 мА) со встроенным автоматическим выключателем
Автоматический дифференциальный выключатель-моноблок DPN NVigi серии Multi 9 (рис. 1.12) является комбинацией двух защитных устройств УЗО и АВ позволяет реализовать:
- комплексную защиту цепей от коротких замыканий, перегрузок и повреждений изоляции;
- защиту людей от поражения электрическим током при прямых (30 мА) контактах с токопроводящими частями;
- защиту электроустановки от риска возникновения пожара;
- селективность защит при каскадном соединении аппаратов на токи утечки 30 мА и 300 мА.
В Европейском экономическом сообществе в соответствии с европейским стандартом EN 61008-1 на дифференциальные выключатели нагрузки применительно к нормативным документам и технической литературе общеприняты следующие сокращения: ID - Франция, RCCD’s - Англия.
Характеристики:
• количество полюсов: 1+N;
• номинальный ток: 6-30 А при 30 °С;
• номинальное напряжение: ~ 230 В;
• ток отключения: 6000 А;
• мгновенное замыкание;

Рис. 1.12. Дифференциальный автоматический выключатель DPN NVigi ток утечки 30 мА мгновенного действия
На территории РФ определения, технические требования и методы испытаний на аналогичного рода устройства общего типа содержатся в ГОСТ Р 51326.1-99 (МЭК 61008-1-96). В настоящем стандарте принято сокращенное обозначение АВ, управляемых дифференциальным током бытового и аналогичного назначения без встроенной защиты от сверхтоков - ВДТ.
ВДТ предназначены для защиты людей при косвенном контакте с открытыми проводящими частями электроустановок, соединенными с соответствующим заземляющим устройством электроустановок зданий, и аналогичного применения. Они могут быть использованы для обеспечения защиты от пожаров, возникающих вследствие длительного протекания тока повреждения.
ВДТ, имеющие номинальный отключающий дифференциальный ток не более 30 мА, могут быть также использованы в качестве средства дополнительной защиты в случае отказа защитных устройств, предназначенных для защиты от поражения электрическим током.
Стандарт распространяется на ВДТ с номинальными напряжениями, не превышающими 440 В переменного тока, и номинальными токами, не превышающими 125 А, выполняющие одновременно функцию обнаружения дифференциального тока, сравнения его со значением дифференциального тока срабатывания и отключения защищаемой цепи в случае, когда дифференциальный ток превосходит это значение.
В отличие от ВДТ, управляемый дифференциальным током АВ, предназначенный для выполнения функций защиты от сверхтоков, определен в 3.3.3. ГОСТ Р 51326.1-99 как автоматический выключатель, управляемый дифференциальным током, со встроенной защитой от сверхтоков (АВДТ).
Отечественной промышленностью под торговой маркой ИЭК [13] (IEK - производитель «ИНТЕРЭЛЕКТРОКОМПЛЕКТ») выпускаются: выключатели дифференциальные ВД1-63; дифференциальные автоматы АД12, АД14, АД12М; автоматические выключатели дифференциального тока серии АВДТ-32.
Выключатель дифференциальный ВД1-63 (рис. 1.13) предназначен для защиты человека от поражения электрическим током при случайном непреднамеренном прикосновении к токоведущим частям электроустановок при повреждениях изоляции (уставка - 10 мА, 30 мА, 100 мА). Единственная защита от поражения электрическим током при прямом однофазном прикосновении к токоведущим частям электроустановки. ВД1-63 с уставкой срабатывания 300 мА и 500 мА предназначены для предотвращения возгорания и пожаров вследствие протекания токов утечки на землю.
При использовании ВД1-63 необходимо последовательно с ним включать автоматический выключатель ВА 47-29 или ВА 47-100 (аналогичного или меньшего номинала), так как функционально ВД1-63 не предусматривает защиты от сверхтока короткого замыкания и перегрузки.
Преимущества:
- электромеханическая схема без электронных компонентов;
- наиболее надежная защита человека при прямом прикосновении к токоведущим частям;
- независимый индикатор положения контактов;
- не имеет собственного потребления электроэнергии и сохраняет работоспособность при обрыве нулевого проводника;
- модульное исполнение экономит пространство в распределительном щите и значительно облегчает процедуру монтажа;
- тестирующая цепь сохраняет работоспособность в широком диапазоне напряжений от 110 до 265 В (двухполюсный), от 200 до 460 В (четырехполюсный);
- насечки на контактных зажимах снижают тепловые потери и увеличивают механическую устойчивость соединения;
- высокая механическая износостойкость;
- варианты исполнения на восемь номинальных токов;
- широкий диапазон рабочих температур от -25°С до +50°С.
В таблице 1.8 приведены технические характеристики ВД1-63.
Дифференциальный автомат АД-12/14 - быстродействующий защитный выключатель. Благодаря высокому быстродействию, дифференциальные автоматы с уставкой срабатывания 10 мА и 30 мА
обеспечивают эффективную защиту человека от поражения электрическим током в случае его прикосновения к токоведущим частям или к элементам электрооборудования, оказавшегося под напряжением в результате повреждения изоляции токоведущих частей (рис. 1.14).

Рис. 1.13. Выключатель дифференциального тока

Рис. 1.14. Автоматический выключательдифференциального тока
Показатель | Значение |
Соответствуют стандартам | ГОСТ Р 51326.1-99, ТУ 3421-033-18461115-02 |
Номинальное напряжение частотой 50 Гц, В | 230/400 |
Номинальный ток In, А | 16, 25, 32, 40, 50, 63, 80, 100 |
Номинальный отключающий дифференциальный ток IDn, мА | 10, 30, 100, 300, 500 |
Номинальный условный дифференциальный ток короткого замыкания IDc, А | 3000 |
Рабочая характеристика при наличии дифференциального тока | АС |
Время отключения при номинальном дифференциальном токе, мс | < 40 |
Число полюсов | 2, 4 |
Условия эксплуатации | УХЛ4 |
Степень защиты выключателя | IP 20 |
Электрическая износостойкость, циклов В-О, не менее | 4000 |
Механическая износостойкость, циклов В-О, не менее | 10000 |
Максимальное сечение присоединяемых проводов, мм | 35 |
Кроме того, АД-12/14 обеспечивают эффективную защиту электрооборудования от сверхтока (короткого замыкания и перегрузки). В ряде исполнений АД-12 и АД-14 предусмотрена защита от импульсных перенапряжений в сети.
Конструкция АД-12/14 представляет собой соединение двух функциональных узлов: электронный модуль дифференциальной защиты и автоматический выключатель. Электронный модуль состоит из дифференциального трансформатора тока, электронного усилителя с пороговым устройством, исполнительного электромагнита сброса и источника питания.
При установке рукоятки управления автоматического выключателя в положение «ВКЛ» на электронный модуль поступает напряжение питания. В нормальном режиме работы, ток во вторичной обмотке дифференциального трансформатора равен нулю.
При прикосновении человека к открытым токопроводящим частям или к корпусу электроприемника, на который произошел пробой изоляции, по фазному проводнику, кроме тока нагрузки, протекает дополнительный ток - ток утечки, являющийся для трансформатора тока дифференциальным (разностным).
Если этот ток превышает значение уставки порогового устройства, последнее подает ток от источника питания на катушку электромагнита сброса, который сдергивает защелку механизма независимого расцепления АВ и электрическая цепь размыкается.
При этом кнопка «Возврат» выступает из лицевой панели.
Для повторного включения необходимо нажать эту кнопку до фиксации и взвести рукоятку АВ.
Для осуществления периодического контроля исправности АД-12/14 в электронный модуль встроена цепь тестирования. При нажатии кнопки «Тест» искусственно создается отключающий дифференциальный ток. Немедленное срабатывание АД означает исправность всех его элементов.
Монтаж АД-12/14 производят на 35 мм монтажную DIN-рейку.
Преимущества:
- четыре вида защит: от перегрузки, короткого замыкания, дифференциального тока и импульсных (грозовых перенапряжений);
- высокое быстродействие;
- индикация срабатывания от дифференциального тока;
- свыше 40 типоисполнений;
- широкий диапазон рабочих температур от -25°С до +50°С.

- наплавка из серебросодержащего композита повышает износостойкость контактной группы и снижает переходное сопротивление;

- тест для проверки работоспособности устройства и правильности подключения;

- кнопка ВОЗВРАТ для индикации срабатывания от дифференциального тока;

- возможность простой самостоятельной установки контактов состояния КС47 и КСВ47;

- увеличенный размер головки винта с универсальным шлицом (+ , -) облегчает монтаж и предотвращает выпадение винтов при установке.
В таблице 1.9 приведены технические характеристикиАД-12/14.
Показатель | Значение |
Соответствуют стандартам | ГОСТ Р 51327.1-99, ТУ 99 АГИЕ.641243.039 |
Номинальное напряжение частотой 50 Гц, В | 230/400 |
Номинальный ток In, А | 6, 10, 16, 20, 25, 32, 40, 50, 63 |
Номинальный отключающий дифференциальный ток 1Дп, мА | 10, 30, 100, 300 |
Номинальная отключающая способность, А | 4500 |
Рабочая характеристика при наличии дифференциального тока | АС |
Время отключения при номинальном дифференциальном токе, мс | < 40 |
Число полюсов | 2, 4 |
Условия эксплуатации | УХЛ4 |
Степень защиты выключателя | IP 20 |
Износостойкость, циклов В-О, не менее | 10000 |
Максимальное сечение присоединяемых проводов, мм2 | Вход - 25; выход - 16/25* |
Автоматические выключатели дифференциального тока АВДТ-32 (рис. 1.15) предназначены для защиты человека от поражения электрическим током при повреждении изоляции электроустановок, для предотвращения пожаров вследствие протекания токов утечки на землю и для защиты от перегрузки и короткого замыкания. Рекомендуются для защиты групповых линий, питающих розетки наружной установки, розеток и освещения подвалов и гаражей.

Рис. 1.15. АВДТ-32
Преимущества:
- комбинированная схема с электронным модулем дифференциальной защиты и встроенным выключателем серии ВА47-29;
- наиболее надежная защита человека при прямом прикосновении к токоведущим частям;
- независимый индикатор положения контактов;
- широкий диапазон рабочих температур от -25 °С до +50 °С;
- насечки на контактных зажимах снижают тепловые потери и увеличивают механическую устойчивость соединения;
- наличие кнопки «Тест» для проверки работоспособности устройства и правильности подключения;
- габариты АВДТ соответствуют 2-модульному исполнению за счет размещения элементов конструкции.
Особенности конструкции:

- индикатор состояния главной цепи предоставляет точную информацию о состоянии контактов независимо от положения рукоятки;

- комбинированная схема с электронным модулем дифференциальной защиты, варистором класса D и встроенным выключателем серии ВА47-29 обеспечивает 4 вида защиты: oт дифференциального тока (тока утечки); от короткого замыкания; от перегрузки; от импульсных (грозовых перенапряжений);

- наплавка из серебросодержащего композита повышает износостойкость контактной группы и снижает переходное сопротивление;

- тест для проверки работоспособности устройства и правильности подключения.
В таблице 1.10 приведены технические характеристики АВДТ-32.
Показатель | Значение |
Соответствуют стандартам | ГОСТ Р 51327.1-99, ТУ 99 АГИЕ.641243.039 |
Номинальное напряжение частотой 50 Гц, В | 230 |
Номинальный ток In, А | 6, 10, 16, 20, 25, 32, 40, 50, 63 |
Характеристики срабатывания электромагнитного расцепителя | B, C |
Число полюсов | 1+N |
Номинальный отключающий дифференциальный ток 1Дп,мА | 10, 30, 100 |
Номинальная отключающая способность, А | 6000 |
Рабочая характеристика при наличии дифференциального тока | АС |
Время отключения при номинальном дифференциальном токе, мс | < 40 |
Износостойкость, циклов В-О, не менее | 10000 |
Условия эксплуатации | УХЛ4 |
Степень защиты выключателя | IP 20 |
Мощность рассеивания, Вт не более | 6,5 |
Максимальное сечение присоединяемых проводов, мм2 | Вход - 25; выход - 16/25* |
Некоторые виды УЗО отечественных производителей и их параметры представлены в таблице 1.11.
Параметр | Тип устройства защитного отключения | |||
УЗО-22 | ВАД-11 | Д-АС | Астро* УЗО | |
Номинальное напряжение, В | 220 | 220/380 | ||
Частота, Гц | 50 | 50; 60 | 50 | 50 |
Номинальный ток нагрузки, А | 6,3; 10; 16; 25; 32; 40 | 6; 40 | 6; 10; 16; 25; 32 | 16; 25; 40; 63 |
Номинальное значение дифференциального отключающего тока, мА | 10; 30 | 10; 30; 100 | 10, 30, 100, 300 |
|
Максимальное время отключения при номинальном дифференциальном токе, мс | 40 | 10 | 40 | 30 |
Рабочая температура, °С | От -10 до +40 | От -5 до +40 | От -5 до +40 | От -20 до +45 |
Зависимость от колебаний напряжения сети | Не зависит | |||
Потребность в источнике питания | Требуется | Не требуется | ||
Тип расцепителя | Электронно магнитный | Электромеханический | ||
Рекомендуется ежемесячно проверять работоспособность УЗО. Наиболее простой способ проверки - нажатие кнопки «тест». Если УЗО исправно и подключено к электрической сети, то оно при нажатии кнопки «тест» должно сразу же сработать (т. е. отключить нагрузку). Если после нажатия кнопки нагрузка осталась под напряжением, то УЗО неисправно и должно быть заменено.
Тест нажатием кнопки не является полной проверкой УЗО. Оно может срабатывать от кнопки, но не пройти полный лабораторный тест, включающий измерение отключающего дифференциального тока и времени срабатывания. Поэтому более надежной проверкой является имитация утечки непосредственно в цепи, которая является нагрузкой УЗО.
С этой целью, для проведения проверки, как правило, применяют тестовые схемы (рис. 1.16) или специализированные приборы.

Рис. 1.16. Схема измерения
Определение порога срабатывания (дифференциального отключающего тока IAn) УЗО:
1. Отключить от установленного в электроустановке УЗО цепь нагрузки RH с помощью двухполюсного автоматического выключателя AB2 (рис. 1.16). В том случае, если в электроустановке применен однополюсный автоматический выключатель, при выполнении данного измерения для достижения необходимой точности необходимо отсоединить и нулевой рабочий проводник.
2. С помощью гибких проводников подключить к указанным на схеме клеммам (2, N) УЗО измерительную цепь с переменным резистором R и миллиамперметром - мА. Переменный резистор первоначально должен находиться в положении максимального сопротивления.
3. Плавно снижать сопротивление резистора.
4. Зафиксировать показание миллиамперметра в момент срабатывания УЗО.
5. Зафиксированное значение тока является отключающим дифференциальным током IΔ данного экземпляра УЗО, которое согласно требованиям стандартов должно находиться в диапазоне 0,5-1 IΔn.
В том случае, если значение IA выходит за границы данного диапазона, УЗО подлежит замене.
УЗО должно соответствовать требованиям подключения. Особое внимание следует обращать при использовании проводов и кабелей с алюминиевыми жилами (многие импортные УЗО допускают подключение только медных проводов).
При установке УЗО последовательно должны выполняться требования селективности. При двух- и многоступенчатой схемах УЗО, расположенное ближе к источнику питания, должно иметь уставку и время срабатывания не менее чем в три раза большее, чем у УЗО, расположенного ближе к потребителю. В зоне действия УЗО нулевой рабочий проводник не должен иметь соединений с заземленными элементами и нулевым защитным проводником.
Чтобы безопасность была гарантированной даже при значительной величине тока, установлены нормы по времени срабатывания УЗО. Время не должно превышать 0,3 с; обычно оно меньше 0,1 с.
Схему подключения УЗО поясняет рисунок 1.17. В качестве УЗО здесь используется дифференциальный автоматический выключатель, установленный на входе линии питания. Для нормального функционирования УЗО необходимо обеспечить формирование дифференциального тока при возникновении утечки тока на землю.
Дифференциальный ток появится только в случае утечки через заземленный проводник, не подключенный к УЗО. Поскольку нейтраль N проходит через УЗО, необходимо до места подключения УЗО разделить проводник PEN на проводники N и РЕ (точка 1 на рис. 1.17). При этом проводник РЕ должен быть подключен к электрооборудованию непосредственно. Не допускается его размыкание или исполнение в виде временного проводника.
В свою очередь, использование системы TN-C-S подразумевает заземление металлических корпусов электрооборудования и подключение розеток трехпроводными проводами. Схема, поясняющая подключение УЗО для двухпроводной сети, показана на рисунке 1.18.
УЗО в этом случае должно осуществлять защиту максимального числа линий и оборудования.

Рис. 1.17. Схема электроснабжения в двухпроводной сети при отсутствии защитного проводника PE в розеточной цепи и цепи освещения

Рис. 1.18. Схема электроснабжения в двухпроводной сети с системой заземления TN-C-S
На рисунках 1.19 и 1.20 приведены примеры схем электроснабжения квартир повышенной комфортности.
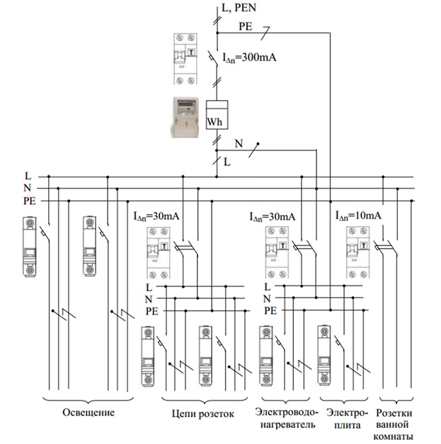
В схеме, приведенной на рисунке 1.21, на вводной линии установлен дифференциальный автоматический выключатель с током срабатывания 300 мА.
Этот дифференциальный автомат обеспечивает защиту электропроводки и оборудования при возникновении утечки на корпус, а также повышает пожарную безопасность цепи электропитания квартиры. Кроме того, он обеспечивает некоторую задержку отключения. Из двухпроводной линии формируется система TN-C-S. Для непосредственной защиты людей в групповые цепи питания потребителей установлены дополнительные дифференциальные автоматические выключатели. В цепи питания розеток и стационарного электрооборудования включены устройства с дифференциальным током срабатывания 30 мА, а для помещений с повышенной опасностью используется более чувствительное устройство с током срабатывания 10 мА.

Рис. 1.19. Схема электроснабжения квартиры повышенной комфортности
На рисунке 1.20 приведена схема электроснабжения квартиры повышенной комфортности с трехфазным вводом.

Рис. 1.20. Схема электроснабжения квартиры повышенной комфортности
На вводе установлен четырехполюсный дифференциальный автоматический выключатель с током отключения 300 мА и временной задержкой отключения. Для учета расхода электроэнергии используется трехфазный электросчетчик. Потребители электроэнергии подключаются ко всем трем фазам с учетом оптимальной нагрузки на все линии.
Применительно к схемам электроснабжения, изображенным на рисунках 1.19 и 1.20, действуют общие для таких случаев правила: при объединении групповых линий для защиты одним УЗО следует учитывать возможность их одновременного отключения; кроме того, в многоступенчатых схемах необходимо выполнять условия селективности, то есть функции отключения с задержкой.
На современных объектах индивидуального строительства (коттеджи, дачные, садовые дома и т. д.) требуется применение повышенных мер электробезопасности. Это связано с высокой энергонасыщенностью, разветвленностью электрических сетей и спецификой эксплуатации как самих объектов, так и электрооборудования. При выборе схемы электроснабжения типа УЗО и распределительных щитков следует обратить внимание на необходимость использования ограничителей перенапряжений (грозовых разрядников), которые следует устанавливать до УЗО (рис. 1.19).
В индивидуальных домах рекомендуется использовать УЗО с номинальным током, не превышающим 30 мА, - для групповых линий, питающих ванные комнаты, душевые и сауны, а также штепсельные розетки (внутри дома, в подвалах, встроенных и пристроенных гаражах). Для линий, обеспечивающих наружную установку штепсельных розеток, применение УЗО с номинальным током, не превышающим 30 мА, обязательно.